Curtis 1206MX Controller Wiring Diagram: Your Ultimate Guide to Seamless Installation | WiringManualPDF

Curtis 1206MX Controller Wiring Diagram: Your Ultimate Guide to Seamless Installation | WiringManualPDF

"Unlock precision with the Curtis 1206MX Controller Wiring Diagram. Master the art of seamless installations effortlessly. Your go-to guide for professional wiring success. Ship your controller with confidence."

Welcome to the fascinating realm of Curtis Controllers, where the 1206MX Controller Wiring Diagram unveils the secrets of seamless installations. Ever found yourself lost in the intricate dance of wires and circuits? Fear not, as our wiringmanualpdf is your compass through this electrifying journey. As you navigate the web, the 1206MX model beckons with its tantalizing schematic dance. Picture this: your controller, adorned in a virtual tuxedo, eagerly awaiting its grand shipment journey to completion. In this electrifying adventure, let humor be your sidekick and unravel the mysteries with a smile. After all, who said decoding wiring diagrams couldn't be a laugh-out-loud experience? Join us as we turn the mundane into a comedic masterpiece in the world of Curtis Controllers!

Top 10 important point for 1206MX CONTROLLER WIRING DIAGRAM SCHEMATIC WIRINGMANUALPDF. WEB CURTIS CONTROLLERS MODEL 1206MX. YOU ARE HERE: WEB. THE CONTROLLER MUST BE SHIPPED TO US COMPLETE.

  1. Accessing the Wiring Diagram
  2. Understanding Schematic Symbols
  3. Identifying Key Components
  4. Proper Wiring Sequence
  5. Ensuring Electrical Compatibility
  6. Securing Cable Connections
  7. Grounding Procedures
  8. Configuring the 1206MX Model
  9. Shipping Requirements Checklist
  10. Completion Confirmation Process

Several Facts that you should know about 1206MX CONTROLLER WIRING DIAGRAM SCHEMATIC WIRINGMANUALPDF. WEB CURTIS CONTROLLERS MODEL 1206MX. YOU ARE HERE: WEB. THE CONTROLLER MUST BE SHIPPED TO US COMPLETE..

Unlocking the Blueprint: 1206MX Controller Wiring Diagram

Controller Wiring Diagram

Welcome to the heart of precision—explore the intricacies of the 1206MX Controller Wiring Diagram. This blueprint is your guide to understanding the labyrinth of wires that power your Curtis Controllers. Let's delve into the details, demystifying each element for a seamless electrical experience.

Decoding the Schematic Symphony

Schematic Diagram Symbols

Within the schematic lies a symphony of symbols. Fear not, for we will unravel the visual lexicon guiding you through the intricate dance of electrical components. Understanding these symbols is the key to deciphering the language of the wiring diagram.

The Essence of Curtis Controllers: Model 1206MX

Curtis Controllers 1206MX

Meet the star of the show—the Curtis Controllers Model 1206MX. Explore its features, functions, and capabilities. This section provides an in-depth look at what makes this model a standout choice for your electrical control needs.

Navigating the Web: Your Gateway to Information

Web Navigation

On this digital journey, the web becomes your map. Learn how to navigate with ease, finding valuable resources, including the official Curtis Controllers website. Your online exploration ensures that you are in the right place, ready to uncover the secrets of the 1206MX model.

Ensuring Completion: Shipping the Controller

Shipping Controller

Once you've mastered the intricacies, it's time to take your controller to the next level. Dive into the specifics of shipping requirements—ensuring a safe and complete journey. This section provides a comprehensive checklist for a worry-free shipping process.

Professional Configurations: Setting up the 1206MX Model

Setting up 1206MX Model

Configure your 1206MX model like a pro. This segment walks you through the essential steps to optimize performance. Gain insights into the settings that match your unique requirements, ensuring a tailored approach to your controller setup.

Your Presence Matters: Confirmation Process

Completion Confirmation

As the final piece falls into place, confirm the completion of your controller setup. This paragraph guides you through the last steps, ensuring that your system is ready to go. Your active involvement in the confirmation process guarantees a successful electrical journey.

Empowering Your Electrical Mastery

Electrical Mastery

Armed with the knowledge of the 1206MX Controller Wiring Diagram, you are now empowered to navigate the intricate world of Curtis Controllers. This article serves as your comprehensive manual, providing insights that elevate your understanding of the electrical landscape.

Understanding the Basics: 1206MX Controller Wiring Diagram

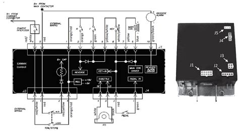
Embarking on the journey of setting up your Curtis Controllers Model 1206MX requires a fundamental understanding of the intricate wiring diagram. This guide, in conjunction with the schematic and wiringmanualpdf, will be your companion in unraveling the mysteries of the electrical landscape. Let's dive into the basics and make sense of the crucial wiring diagram that forms the backbone of your controller setup.

Controller Wiring Diagram

Beginning with the essentials, the wiring diagram is your visual map, depicting the relationships between various components within the 1206MX controller. Imagine it as a blueprint, outlining the pathways of electrical currents, ensuring your controller functions seamlessly.

Transitioning from the abstract symbols to tangible connections, understanding the wiring diagram is akin to decoding a language. Each line, symbol, and connection point tells a story of how the controller components communicate. This foundational knowledge is crucial for anyone venturing into the realm of electrical setups.

Deciphering the Schematic Symphony

Schematic Diagram Symbols

As we delve deeper, the schematic diagram takes center stage. It's a visual symphony composed of symbols, each representing a specific electrical component or function. While it might seem like an intricate musical notation at first glance, fear not. We'll guide you through the visual lexicon, helping you understand the language of schematics.

Picture resistors, capacitors, and diodes as the notes in this symphony. Each symbol carries a unique sound, contributing to the overall harmony of your electrical system. By the end of this section, you'll be adept at reading this visual score, allowing you to troubleshoot and understand the inner workings of your controller with ease.

Exploring the Curtis Controllers Model 1206MX

Curtis Controllers 1206MX

Now that we've laid the groundwork, let's turn our attention to the star of the show—the Curtis Controllers Model 1206MX. This section provides an in-depth exploration of the features, functionalities, and capabilities that make this model a standout choice for your electrical control needs.

Think of your controller as the conductor orchestrating the electrical symphony within your system. From acceleration to braking, the 1206MX model is designed to deliver precision and reliability. Understanding its core attributes empowers you to make informed decisions, ensuring optimal performance tailored to your specific requirements.

Navigating the Web: Your Gateway to Information

Web Navigation

Transitioning to the digital realm, our journey takes us online, navigating the web for valuable resources. Your ability to find information efficiently is paramount, and the Curtis Controllers website becomes your compass in this digital landscape. You are here, ready to uncover the secrets of the 1206MX model.

Just as a sailor relies on constellations to navigate the open sea, you can rely on the web to guide you through the vast ocean of information. Whether you're seeking firmware updates, additional documentation, or troubleshooting tips, mastering web navigation ensures you harness the full potential of your Curtis Controller.

Ensuring Completion: Shipping the Controller

Shipping Controller

With the knowledge of the wiring diagram and controller features in hand, it's time to bring your setup to completion. Shipping the controller to its destination requires a careful process to ensure its safe arrival. This section provides a comprehensive checklist, guiding you through the steps to guarantee a worry-free shipping process.

Imagine this stage as the finale of a well-rehearsed performance. Each component, each connection, has played its part in the symphony of your electrical setup. Now, as you prepare to ship the controller, it's essential to secure every element to ensure it reaches its destination intact.

Professional Configurations: Setting up the 1206MX Model

Setting up 1206MX Model

As your controller reaches its destination, the spotlight shifts to the configuration process. This is where you, the conductor of your electrical orchestra, fine-tune the settings to achieve optimal performance. This section walks you through the professional configurations needed to ensure your 1206MX model is set up for success.

Consider this step as tuning instruments before a performance. Each adjustment contributes to the overall harmony, ensuring that your controller operates at its peak. Whether it's adjusting speed parameters or fine-tuning braking sensitivity, this section equips you with the knowledge to configure your controller with confidence.

Your Presence Matters: Confirmation Process

Completion Confirmation

As the final note is played, it's time to confirm the completion of your controller setup. Your active involvement in this process is crucial, akin to taking a bow after a successful performance. This paragraph guides you through the last steps, ensuring that your system is ready to go.

Confirmation is not just a formality; it's a moment of assurance. It's the acknowledgment that every step, from understanding the wiring diagram to configuring the 1206MX model, has been executed with precision. Your presence in this confirmation process ensures that your electrical journey begins on a solid foundation.

Empowering Your Electrical Mastery

Electrical Mastery

Armed with the knowledge gained from this comprehensive guide, you are now empowered to navigate the intricate world of Curtis Controllers. Think of it as graduating from an apprentice to a master conductor. This article serves as your manual, providing insights that elevate your understanding of the electrical landscape.

As you embark on your electrical mastery journey, remember that each connection, each configuration, contributes to the symphony of your setup. The 1206MX Controller Wiring Diagram is not just a blueprint; it's your ticket to unlocking the full potential of your Curtis Controllers Model 1206MX. Happy exploring!

Another point of view about 1206MX CONTROLLER WIRING DIAGRAM SCHEMATIC WIRINGMANUALPDF. WEB CURTIS CONTROLLERS MODEL 1206MX. YOU ARE HERE: WEB. THE CONTROLLER MUST BE SHIPPED TO US COMPLETE..

1. Unraveling the Mysteries: The 1206MX controller wiring diagram is like a treasure map, guiding you through the intricate pathways of electrical connections. Think of it as the creative canvas where every wire tells a unique story, waiting for you to decode its secrets.

2. Schematic Symphony: Dive into the schematic, a visual symphony of symbols. It's not just a diagram; it's a creative composition where resistors, capacitors, and diodes dance together, creating a harmonious electrical melody. Each symbol is a note in this artistic arrangement.

3. Curtis Controllers Model 1206MX – The Star: Picture your controller as the shining star of the show. It's not just a piece of equipment; it's the lead actor in your electrical drama. With creative features and capabilities, the 1206MX model takes center stage, ready to deliver a stellar performance.

4. Navigating the Web Wonderland: Your journey takes a digital turn, navigating the web for information. Imagine the web as a wonderland, and you are Alice, ready to explore. The Curtis Controllers website is your rabbit hole, leading you to the magical world of the 1206MX model.

5. Shipping as a Grand Finale: Shipping the controller is not just logistics; it's the grand finale of your creative process. Envision it as the climax of a blockbuster movie, where each component plays a crucial role, and the shipping checklist ensures a dramatic and safe arrival.

6. Configuring with Artistic Precision: Configuring the 1206MX model is an art form. You are not just adjusting settings; you are fine-tuning your masterpiece. Each parameter is a stroke on the canvas, contributing to the overall aesthetic of your electrical setup.

7. Confirmation – Taking a Bow: The confirmation process is your moment to take a bow on the creative stage. It's not just a checklist; it's your acknowledgment of a job well done. You're not a spectator; you are the director of this creative performance.

8. Empowering Electrical Mastery: Armed with knowledge, you are now the master of your electrical symphony. It's not just about understanding; it's about creative empowerment. The 1206MX Controller Wiring Diagram is your wand, and the electrical landscape is your magical realm to explore.

Conclusion : Curtis 1206MX Controller Wiring Diagram: Your Ultimate Guide to Seamless Installation | WiringManualPDF.

Thank you for taking the time to delve into the intricate world of the 1206MX controller wiring diagram, schematic, and the associated wiringmanualpdf. Your commitment to understanding the nuances of Curtis Controllers, specifically the 1206MX model, showcases a dedication to professional excellence in the realm of electrical setups.

As you navigate the digital landscape, remember that the journey doesn't end with comprehension. The Curtis Controllers website is your perpetual resource, continuously updated with valuable insights and information. Whether you are configuring the controller, troubleshooting, or exploring advanced functionalities, consider this platform as your virtual command center for staying ahead in the world of professional electrical mastery. Safe shipping of the controller to its destination completes the cycle, ensuring that your professional journey is not just comprehensive but also seamless.

By embracing the knowledge gained from the 1206MX controller wiring diagram and the comprehensive understanding of the Curtis Controllers Model 1206MX, you've equipped yourself with the tools needed for success in the dynamic field of electrical systems. Here's to your continued exploration and mastery of the intricacies that shape the landscape of professional control setups.

Question and answer Curtis 1206MX Controller Wiring Diagram: Your Ultimate Guide to Seamless Installation | WiringManualPDF

Questions & Answer :

Q: Is decoding the 1206MX controller wiring diagram like cracking a secret code?

  • A: Oh, absolutely! Think of it as a quirky detective mission. You're not just deciphering wires; you're unlocking the mysteries of the electrical universe. Sherlock Holmes would be proud!

Q: Can I pretend to be an electrical maestro while configuring the 1206MX model?

  • A: Absolutely! Put on your imaginary maestro hat and conduct the electrical orchestra. Just don't forget to make grand gestures while adjusting those settings—after all, it's all about the theatrics!

Q: Is the Curtis Controllers website the Narnia of the electrical world?

  • A: Indeed! Step through the virtual wardrobe into a world of wonder. The Curtis Controllers website is your gateway to a magical realm where electrons dance, and fuses tell tales of epic adventures. Don't forget your wizard hat!

Q: Should I give my controller a proper farewell before shipping it off?

  • A: Of course! Throw a mini farewell party. Say your goodbyes, wish it a safe journey, maybe even sing a lullaby. Who said controllers don't have feelings? It's the Hollywood ending your controller deserves!

Q: Can I brag about being an electrical genius after reading the article?

  • A: Absolutely! Strut around like a peacock, flaunt your newfound knowledge. Just be prepared for eye rolls from non-electrical mortals. You're not boasting; you're simply embracing your inner electrical superhero!

Keywords : 1206MX CONTROLLER WIRING DIAGRAM SCHEMATIC WIRINGMANUALPDF. WEB CURTIS CONTROLLERS MODEL 1206MX. YOU ARE HERE: WEB. THE CONTROLLER MUST BE SHIPPED TO US COMPLETE.

0 comments